Toledo Industrial Sewing Machines
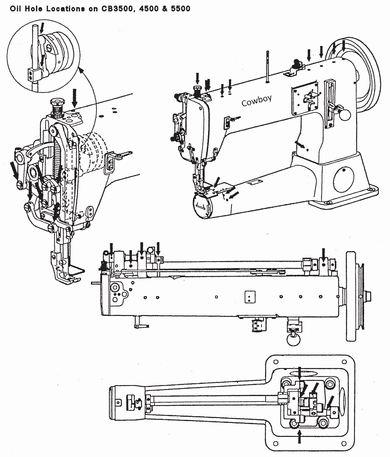
Oil Hole Locations on Cowboy CB3200, CB3500, CB4500 and CB5500 Leather Sewing Machines
The photo on the left reveals all of the oil hole locations on a Cowboy CB3500, CB4500 and CB5500 leather sewing machine. Click anywhere inside the image to enlarge it to a full size (and printable) view. You can enlarge or reduce the size of the displayed image by holding down the Control key as you either roll the wheel on your mouse, or else tap the + or - keys on your keyboard. Touch screen devices can resize the image by pulling or squeezing at the sides or corners with your fingers.
We recommend that you oil your Cowboy leather stitchers after 8 to 10 hours of sewing, or at the end of each work day. Just add a couple of drops of industrial sewing machine oil from a precision oiler into each of the oil holes accessible from the outside of the machine. You should also place a drop or two of oil into the shuttle race when you oil your machine, or after a couple of full bobbin changes.
The drawing does not make it obvious, but there are two normally covered oil ports on the top front of the machine, over the inside presser bar and the needle bar. They are covered with gray plastic plugs which you can pry off with your finger nails. Add a few drops of oil to these ports, then push the plugs back into place.
In addition to the external oil holes, you should remove the front cover over the take-up and needle bar mechanism once a month, and oil each tiny hole in the crank shafts that drive the presser feet, take-up lever and needle bar. You just have to remove the top thread, then loosen the two large screws, one at the top right and the other at the bottom left of the cover, to pull it off of the front of the machine. Note, that there is a slotted lever on the left side of the cover which fits over a pin on the back of the head of the machine. When you reinstall the front cover, make sure you fit the slot in the lever over that pin (See close up view). That lever is used to release the tension of the top disks when you manually raise the presser feet.
These oiling instructions also apply to other brands of the so-called 441 clones and even the actual Juki TSC 441 upon which these machines are based.
See our complete line of Cowboy sewing machines

